SOCIETÀ COOPERATIVA
BILANCIAI
Terminale D410
Manuale di uso e manutenzione
Codice 814688
EDIZIONE 30 Maggio 2001
Indice
1.10 Garanzia
5.2.6 Ristampa
5.2.11 Codice merce
1. GENERALITÀ
1.1 Dichiarazione di conformità
DICHIARAZIONE DI CONFORMITÀ
Nome del fabbricante:
SOCIETÀ COOPERATIVA
BILANCIAI
Indirizzo:
Via S. Ferrari, 16
41011 Campogalliano (MO)- Italia
dichiara che il prodotto
terminale elettronico modello:
D410
con opzioni
tutte quelle previste dal seguente manuale
é conforme a:
norme EN45501, EN50081-1 in base a quanto previsto dalle direttive 89/336 CEE (compatibilità elettromagnetica)
norme EN60950 in base a quanto previsto dalla direttiva 73/23 CEE (direttiva bassa tensione)
Il terminale è inoltre idoneo per realizzare strumenti per pesare a funzionamento non automatico approvati con "Certificato di Approvazione CE del tipo" in conformità alla direttiva 90/384 CEE.
Sul prodotto è stata apposta la marcatura CE.
Campogalliano, 24 Luglio 2000
Il Direttore Tecnico
Ing. Luciano Diacci
Dichiarazione di conformità redatta in conformità a EN45014.
1.2 Premessa
 
Scopo del presente manuale è di portare a conoscenza dell'operatore con testi e figure di chiarimento, le prescrizioni ed i criteri fondamentali per l'installazione, il corretto impiego in sicurezza dell'impianto di pesatura e l'esecuzione di una metodica manutenzione.
 
Tenere sempre a portata di mano il presente manuale! Rispettare sempre le istruzioni riportate!
 
La sicurezza di funzionamento dell'impianto è affidata in prima persona all'operatore che riteniamo debba avere conoscenze dettagliate su di esso.
 
E' responsabilità dell'utente assicurarsi che l'installazione sia conforme alle disposizioni vigenti in materia.
 
L'apparecchiatura deve essere installata solo da personale specializzato che deve aver letto e compreso il presente manuale.
 
Con "personale specializzato" si intende personale che, in seguito alla formazione ed esperienza professionale maturata, è stato espressamente autorizzato dal "Responsabile alla sicurezza dell'impianto" ad eseguirne l'installazione, l'uso e la manutenzione.
 
Per ogni anomalia riscontrata rivolgersi al Centro di Assistenza piu' vicino.
 
E' vietato qualsiasi tentativo di smontaggio, modifica e manomissione dell'impianto da parte dell'utente o personale non autorizzato; in tal caso decade immediatamente la garanzia e la Ditta Costruttrice si esime dal rispondere ad ogni eventuale danno causato a persone o a cose.
 
E' pure vietata l'alterazione o rimozione dei dati riportati sulle targhette, i bolli di chiusura e di legalizzazione del terminale; di conseguenza accertarsi che tutte le targhe siano presenti e leggibili e, in caso contrario, rivolgersi al Servizio Post Vendita.
 
La Ditta Costruttrice non risponde di danni derivanti da una incauta movimentazione del terminale.
 
Le informazioni e le illustrazioni di seguito riportate sono aggiornate alla data di edizione.
 
La Ditta Costruttrice è impegnata nella continua ottimizzazione dei propri prodotti con conseguenti possibili modifiche a qualche componente dell'impianto.
 
Tutte le informazioni tecniche contenute nel presente manuale sono di esclusiva proprietà della Ditta Costruttrice e devono essere considerate di natura riservata.
 
E' vietata la riproduzione e divulgazione, anche parziale, del presente manuale su carta, su supporto informatico e su WEB senza autorizzazione scritta della Ditta Costruttrice.
 
Inoltre è vietato utilizzare il presente manuale per scopi diversi da quelli strettamente legati all'installazione, all'utilizzo e alla manutenzione del terminale.
 
Nell'intento di dettagliare con maggiore incisività e con la massima chiarezza di funzionamento le regolazioni o altro, alcune illustrazioni possono rappresentare l'impianto di pesatura sprovvisto di ripari di sicurezza. Non utilizzare l'impianto in queste condizioni, ma togliere tali ripari di sicurezza per il tempo strettamente necessario alle riparazioni o manutenzioni richieste, quindi procedere al loro ripristino.
1.3 Simbologia
Di seguito si riportano le simbologie utilizzate nel manuale per richiamare l'attenzione del lettore sui diversi livelli di pericolo nelle operazioni di "Uso e manutenzione" dello strumento.
PERICOLO
Informazione o procedura che, se non scrupolosamente eseguita, provoca la morte o gravi lesioni personali.
ATTENZIONE
Informazione o procedura che, se non scrupolosamente eseguita, potrebbe causare modeste lesioni personali o danni allo strumento.
AVVERTENZA
Informazione o procedura che consigli l'operatore sull'utilizzo ottimale dell'impianto per allungarne la durata, evitarne danneggiamenti o perdita della programmazione, ottimizzarne il lavoro nel rispetto delle normative metriche.
Le schermate ed i messaggi che compaiono sul display del terminale sono riportati in un carattere speciale.
Per i messaggi:
Questo è un messaggio riportato sul display.
Per i percorsi:
2°F>ALTRI>MENU>Contrasto.
Il carattere > indica il passaggio da una voce alla successiva.
1.4 Documentazione
Al presente manuale è allegato un CD-ROM contenente informazioni riguardanti principalmente l'installazione del terminale.
Qui si trovano le informazioni per interfacciare il terminale di pesatura con PC e PLC.
1.5 Descrizione del terminale
L'indicatore digitale di peso modello D410 permette di eseguire operazioni di pesatura altamente precise ed affidabili. Questo dispositivo è stato sviluppato per facilitare il dialogo con l'operatore tramite la tastiera alfanumerica ed il display grafico, il quale, oltre alla estrema facilità d'uso, consente di modificare la forma e la dimensione dei caratteri per adattarsi alle varie condizioni di utilizzo. Il terminale D410 è dotato di un elevato numero di funzioni che, abbinate alle possibilità di espansione, permettono un grande livello di interfacciamento verso dispositivi esterni.
Di seguito sono elencate alcune caratteristiche dell'indicatore:
 
collegamento ad una bilancia con celle analogiche (fino a 12 celle da 350 ohm)
 
collegamento ad una bilancia con celle digitali (fino a 12 celle CPD)
 
due uscite seriali con standard di uscita RS232/422/485
 
uscita analogica 0-10V o 0(4)-20 mA
 
2 input e 2 output a relè
 
alimentazione 110/240 Vac
 
possibilità di funzionamenti specifici selezionabili dall'operatore
 
collegamento a stampanti a nastro, cartellino ed etichettatrici
 
gestione di archivi totali legati a codici alfanumerici
 
personalizzazione rapida di tastiera e messaggi
1.6 Caratteristiche tecniche del terminale
Alimentazione:
85-265 Vac 50/60 Hz
12-24 Vdc (opzionale)
Potenza massima:
50 W
Celle collegabili:
fino a 12 celle analogiche da 350 ohm su connettore vaschetta 9 poli
fino a 12 celle digitali CPD su connettore vaschetta 15 poli
Impedenza minima:
29 ohm
Alimentazione celle analogiche:
10 Vdc
Alimentazione celle digitali:
10 - 18 Vdc
Risoluzione interna:
500000 punti @ 25 conv/sec
120000 punti @ 100 conv/sec
Risoluzione in versione omologata:
massimo 10000 divisioni
Massimo segnale in ingresso:
23 mV
Sensibilità:
0,75 uV/divisione (versione con celle analogiche)
Stabilità del fondo scala:
< 5 ppm/°C
Stabilità dello zero:
< 5 ppm/°C
Range temperatura compensato:
-10 + 40 °C
Range funzionamento:
-10 + 50 °C
Protezione:
IP20
Umidità:
85 % @ 40°C
Uscita analogica:
0 - 10 V (carico minimo 100 kohm)
0 (4)-20 mA (carico massimo 250 ohm)
Risoluzione uscita analogica:
10000 punti
Precisione uscita analogica:
0,05 % FS
Contatti di uscita:
contatto meccanico
Tensione commutabile:
110 Vac/dc massima
Corrente commutabile:
200 mA massimi
1.7 Dimensioni d'ingombro e peso del terminale
Peso : 2 Kg
Dimensioni spacco del pannello per il montaggio a rack : 200 mm x 104 mm (base x altezza)
Le dimensioni sono espresse in mm.
Figura 1.1 - Dimensioni d'ingombro e peso del terminale versione a rack (cbd0010.jpg)
Peso : 2 Kg
Le dimensioni sono espresse in mm.
Figura 1.2 - Dimensioni d'ingombro e peso del terminale versione da tavolo (cbd0009.jpg)
Peso : 2,5 Kg
Le dimensioni sono espresse in mm.
Figura 1.3 - Dimensioni d'ingombro e peso del terminale in versione con supporto inclinato (opzionale) (cbd0012.jpg)
1.8 Istruzioni per la richiesta di intervento di assistenza tecnica
In caso di anomalie di funzionamento o di guasti per i quali è necessario l'intervento di tecnici specializzati rivolgersi al più vicino centro di assistenza o direttamente al costruttore. Per una più veloce risoluzione dei problemi comunicare al servizio assistenza il serial number dello strumento che compare sull'etichetta di bollatura. Comunicare inoltre le caratteristiche dell'impianto in cui è installato il terminale.
1.9 Elenco ricambi
Le richieste di particolari di ricambio devono essere indirizzate al più vicino centro di assistenza o direttamente al costruttore.
Codice
Descrizione
460727
Alimentatore serie D400/800 110/230 Vac
460740
Alimentatore serie D400/800 12-24Vdc-ac
290389
Tastiera D410
403941
Scheda cpu
460728
Convertitore per celle analogiche
403961
Interfaccia per celle digitali
403981
Scheda MPP espansione FLASH memory
403991
Scheda espansione seriale
404001
Scheda 4 input 4 output
404011
Scheda BCD TTL o a calcolatore
404012
Scheda BCD 24V source
527313
Batteria
460729
Display
1.10 Garanzia
Le clausole di garanzia sono specificate nel contratto di vendita.
2. PRESCRIZIONI DI SICUREZZA
2.1 Usi non consentiti
Lo strumento acquistato è un impianto di pesatura ed in quanto tale è stato progettato e prodotto. L'uso primario a cui questo è destinato è la pesatura di merci.
 
E' vietato usare il terminale senza le precauzioni necessarie per un uso in sicurezza.
 
E' vietato utilizzare il terminale in luoghi con atmosfera potenzialmente esplosiva o in luoghi dove esiste pericolo d'incendio.
Altri utilizzi sono consentiti solo se espressamente autorizzati dalla Ditta Costruttrice.
2.2 Normativa
Le condizioni di utilizzo del terminale elettronico per strumenti di pesatura sono regolamentate dalle normative in vigore nel paese di utilizzo. Sono vietati gli usi in condizioni non conformi a tali norme.
2.3 Prescrizioni d'uso
 
Durante l'uso seguire scrupolosamente il presente manuale.
 
Nel caso si riscontrino discordanze tra quanto descritto all'interno del presente manuale e l'apparecchiatura in Vs. possesso, chiedere chiarimenti al vostro Rivenditore o al Servizio Post-Vendita della Ditta Costruttrice.
 
Rispettare scrupolosamente le indicazioni riportate sulle targhe di avvertenza e di pericolo collocate sul terminale.
 
Assicurarsi che il terminale sia completo di tutti i carter di copertura e di protezione e verificare l'integrità dei cavi e la loro corretta connessione.
 
Verificare che il terminale sia sempre collegato ad una presa di corrente provvista di un efficace polo di terra, controllando che tale linea sia conforme alle norme vigenti. Accertarsi che tra terra e neutro non vi sia differenza di potenziale.
 
Se il terminale deve essere collegato ad altri dispositivi come computer o altro, prima di procedere agli allacciamenti scollegarli dalla rete elettrica.
 
Ogni intervento di manutenzione e/o riparazione deve essere eseguito esclusivamente da personale autorizzato.
 
Scollegare sempre il terminale dalla rete elettrica di alimentazione e attendere alcuni minuti prima di accedere ai suoi componenti interni.
3. CONSEGNA ED INSTALLAZIONE
Legenda
1.
 
Connettore a 9 poli maschio (JBIL) di collegamento alla piattaforma di pesatura (15 poli maschio nel caso di celle digitali)
2.
 
Connettore a vaschetta 9 poli femmina (JCOM1) di collegamento seriale alla stampante
3.
 
Connettore a vaschetta 9 poli femmina (JCOM2) di collegamento seriale ai vari dispositivi
4.
 
Targa indicante voltaggio, frequenza di allacciamento e tipo di fusibili
5.
 
Morsetti di collegamento uscite analogiche (JVI)
6.
 
Morsetti di collegamento input/output (JI/O)
7.
 
Vite di terra
8.
 
Connettore tripolare maschio di alimentazione
9.
 
Fusibili
10.
 
Interruttore di ON/OFF
11.
 
Slot espansione 2
12.
 
Slot espansione 1
Figura 3.1 - Retro del terminale (log0103.jpg)
3.1 Allacciamento del terminale alla rete elettrica
PERICOLO
Verificare che:
la linea elettrica di alimentazione del terminale abbia voltaggio e frequenza come indicato sulla targa di avvertenza situata sul retro del terminale (vedi punto 4 Figura 3.1 );
la presa di corrente a cui viene collegato il terminale sia dotata di polo di terra;
le targhe di avvertenza e pericolo siano presenti sul cofano dello strumento;
in caso contrario avvertire il personale addetto alla manutenzione o direttamente il nostro Servizio Assistenza;
Per il corretto collegamento del terminale alla rete elettrica procedere nel seguente modo:
 
inserire il connettore tripolare del cavo alimentazione sul retro dello stesso;
 
inserire la spina del cavo di alimentazione nella corretta presa di corrente.
Il terminale rispetta la direttiva europea per quello che riguarda la compatibilità elettromagnetica, tuttavia è buona norma predisporre una alimentazione elettrica separata dagli azionamenti di potenza.
AVVERTENZA
Non affiancare ai cavi di collegamento del terminale cavi di potenza che potrebbero causare disturbi al funzionamento dello strumento. Utilizzare per il collegamento il cavo fornito in dotazione al terminale. Nel caso che il cavo sia corto, non prolungarlo con giunture, ma rivolgersi alla Ditta Costruttrice.
3.2 Allacciamento del terminale alla piattaforma di pesatura
Per il collegamento del terminale alla piattaforma di pesatura viene normalmente fornito un cavo precablato il cui connettore femmina deve essere inserito a fondo nel connettore maschio a 9/15 poli (JBIL) posto sul retro dell'indicatore (vedi punto 1 Figura 3.1 ). Il collegamento può essere diverso in funzione del tipo di trasduttore che è montato sulla piattaforma di pesatura: analogico o digitale.
AVVERTENZA
Lo schermo del cavo deve essere sempre collegato al cappuccio metallico di protezione del connettore a 9/15 poli. Non inserire il cavo di collegamento alla piattaforma di pesatura in percorsi con cavi diretti ad azionamenti di potenza.
3.2.1 Equipotenzialità tra terminale e piattaforma di pesatura
Verificare che ci sia equipotenzialità tra le parti metalliche del terminale e la piattaforma di pesatura.
In caso di dubbi, collegare terminale e piattaforma con un cavo di terra di almeno 6mm², utilizzando la vite di terra presente sul retro del terminale (vedi punto 7 Figura 3.1 ).
I cavi e gli accessori per questo collegamento non fanno parte della fornitura ma sono a carico del cliente.
3.2.2 Collegamento di celle analogiche
Di seguito viene fornito lo schema di connessione del connettore JBIL quando collegato a piattaforme realizzate con celle analogiche.
Legenda
NC = Riservato da non collegare
SIG + = Segnale +
SIG - = Segnale -
EX + = Alimentazione +
EX - = Alimentazione -
SENSE + = Segnale di SENSE +
SENSE - = Segnale di SENSE -
Figura 3.2 - Schema di connessione connettore JBIL per collegamento a piattaforme realizzate con celle analogiche (log0001.gif)
3.2.3 Collegamento di celle digitali
Il collegamento verso le celle digitali è realizzato con trasmissione seriale tipo RS485 utilizzando un cavo schermato a 6 conduttori. Di seguito viene fornito lo schema di connessione del connettore JBIL quando collegato a piattaforme realizzate con celle digitali.
Legenda
EX + = Alimentazione +
EX - = Alimentazione -
DATA +/- = Linea di comunicazione bidirezionale
NC = Riservato da non collegare
Figura 3.3 - Schema di connessione connettore JBIL per collegamento a piattaforme realizzate con celle digitali (log0002.gif)
I pin con il medesimo segnale possono essere parallelizzati.
3.3 Collegamento uscita seriale COM1
Lo strumento prevede un canale seriale RS232 sul connettore femmina a 9 poli (COM1) posto sul retro del terminale stesso (vedi punto 2 Figura 3.1 ); di seguito viene fornito lo schema di collegamento di tale uscita.
Legenda
NC = Riservato da non collegare
RX232 = Ricezione dati
TX232 = Trasmissione dati
CTS232 = Clear to send
RTS232 = Request to send
GND = Massa dei segnali
Figura 3.4 - Connettore di collegamento uscita seriale standard (9 poli a vaschetta femmina) (log0003.gif)
ATTENZIONE
Condizioni di massimo utilizzo previste dallo standard RS232:
Massima distanza di trasmissione = 15 m
Massima tensione ai capi = ± 12 Vdc
Per il collegamento verso dispositivi esterni si consiglia di utilizzare un cavo schermato con l'avvertenza di collegare lo schermo alla parte metallica del guscio del connettore a 9 poli.
3.4 Collegamento uscita seriale COM2
Lo strumento prevede una seconda uscita seriale, con la possibilità di selezionare gli standard RS232, RS422 e RS485. L'uscita è fornita su di un connettore femmina a 9 poli (COM2) (vedi punto 3 Figura 3.1 ).
3.4.1 Collegamento porta seriale COM2 in configurazione RS232
Per i collegamenti a dispositivi esterni si faccia riferimento allo schema di collegamento riportato in Figura 3.5 :
Legenda
NC = Riservato da non collegare
RX232 = Ricezione dati
TX232 = Trasmissione dati
GND = Massa dei segnali
Ri = Resistenza di terminazione interna al terminale
NOTA : I pin liberi sono riservati al collegamento RS422 - RS485
Figura 3.5 - COM2 connettore di collegamento uscita seriale supplementare (9 poli a vaschetta femmina) (log0004.gif)
ATTENZIONE
Le condizioni di massimo utilizzo previste dallo standard RS232 sono già state specificate al par. 3.3 .
3.4.2 Collegamento porta seriale COM2 in configurazione RS422
Legenda
NC = Riservato da non collegare
RX422 +/- = Ricezione dati
TX422 +/- = Trasmissione dati
TERMIN = Resistenza di terminazione da collegare al pin 6
Ri = Resistenza di terminazione interna al terminale
NOTA : I pin liberi sono riservati al collegamento RS232
Figura 3.6 - Esempio di collegamento uscita seriale RS422 (log0005.gif)
ATTENZIONE
Condizioni di massimo utilizzo previste dallo standard RS422:
Massima distanza di trasmissione = 1200 m
Massima tensione ai capi = +/- 7V
Per il collegamento verso dispositivi esterni si consiglia di utilizzare un cavo schermato del tipo "twisted pair " con l'avvertenza di collegare lo schermo alla parte metallica del guscio del connettore a 9 poli.
3.4.3 Collegamento porta seriale COM2 in configurazione RS485
Se la porta seriale COM2 è configurata con standard RS485 occorre:
 
collegare tra loro i pin 9 e 6 ed i pin 1 e 7 ( Figura 3.7 )
 
effettuare il ponticello tra pin 6 e pin 8 per collegare la resistenza di terminazione; tale operazione si esegue sul primo e sull'ultimo dispositivo collegati tra loro.
Legenda
NC = Riservato da non collegare
DATA +/- = Linea di comunicazione bidirezionale
TERMIN = Resistenza di terminazione da collegare al pin 6
Ri = Resistenza di terminazione interna al terminale
NOTA : I pin liberi sono riservati al collegamento RS232
Figura 3.7 - Schema di collegamento uscita seriale RS485 (log0006.gif)
ATTENZIONE
Condizioni di massimo utilizzo previste dallo standard RS485:
Massima distanza di trasmissione = 1200 m
Massima tensione ai capi = +/- 7V
Per il collegamento verso dispositivi esterni si consiglia di utilizzare un cavo schermato del tipo "twisted pair" con l'avvertenza di collegare lo schermo alla parte metallica del guscio del connettore a 9 poli.
Numero massimo terminali collegabili = 16
3.5 Collegamento uscita analogica
Sul connettore JVI posto sul retro dell'indicatore (punto 5 Figura 3.1 ) è disponibile una uscita analogica nei formati 0-10 V e 0(4)-20 mA separata galvanicamente; lo schema di collegamento è riportato nella seguente tabella.
Pin n°
Segnale
1
Uscita 0-10 V
2
Uscita 0(4)-20 mA
3
Comune
ATTENZIONE
Caratteristiche tecniche:
Risoluzione = 10000 punti
Precisione = 0,05 % FS
Carico minimo uscita in tensione = 100 kohm
Carico massimo uscita in corrente = 250 ohm
3.6 Collegamento Input/Output
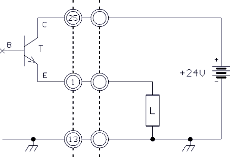
Sulla morsettiera JI/O posta sul retro dell'indicatore (punto 6 Figura 3.1 ) sono disponibili dei contatti di input e di output; la Figura 3.8 riporta lo schema di collegamento.
Legenda
Pi = Parte interna al terminale
Pe = Parte esterna al terminale
Figura 3.8 - Schema di connessione morsettiera JI/O per collegamento Input/Output (log0008.gif)
ATTENZIONE
Caratteristiche tecniche:
Input:
Massima tensione di ingresso = 24Vdc
Massima corrente di ingresso = 5mA
Gli input possono essere comandati da un contatto meccanico o da un transistor tipo NPN (comune negativo)
Output:
Contatto meccanico esente da tensione
Massima tensione commutabile = 110 Vac/dc
Massima corrente commutabile = 200 mA
Tempo di rinfresco I/O = 1/10 s
PERICOLO
Quando l'impianto di pesatura è inserito in sistemi complessi che possono causare pericolo per l'incolumità degli operatori addetti al funzionamento dell'impianto, effettuare diverse manovre a vuoto assistiti da personale specializzato al fine di acquisire la necessaria sensibilità per operare in sicurezza.
4. COMANDI, INDICAZIONI, ACCENSIONE E SPEGNIMENTO
4.1 Display di visualizzazione del peso e delle segnalazioni accessorie
Legenda
1.
 
Tasti metrologici
2.
 
Display di visualizzazione del peso e delle segnalazioni accessorie
3.
 
Tasti alfanumerici
Figura 4.1 - Frontale del terminale (log0127.jpg)
Sul display "LCD" (Liquid Crystal Display) (punto 2 Figura 4.1 ) vengono visualizzate, oltre alle simbologie di pesatura universalmente adottate, anche le indicazioni (espresse in forma estesa) relative alle operazioni svolte dal terminale stesso.
Nel seguito si fornisce un elenco dei simboli di pesatura con il loro significato:
Simbolo di peso stabile
Indica che il peso visualizzato è stabile e può essere stampato e/o trasmesso.
Simbolo di "center zero"
Segnala che il peso rilevato dalla piattaforma si trova in prossimità dello zero, compreso nell'intervallo -1/4 + 1/4 della divisione.
Simbolo tara
Indica la presenza di una tara memorizzata mediante acquisizione.
Simbolo di tara inserita da tastiera
Indica l'acquisizione del valore della tara digitata da tastiera.
Simbolo di peso lordo
Simbolo di peso lordo con unità di misura in lb (in alternativa a B)
Questo carattere si illumina solamente quando l'unità di misura è espressa in "lb".
Pesata minima
Simbolo di peso netto
Indicazione del campo di pesatura per strumenti multiestensione (ME)
4.1.1 Simboli visualizzazione selezione
Indicazione di peso
Sotto il limite inferiore impostato.
Indicazione di peso
Entro il campo compreso tra i limiti inferiore e superiore impostati.
Indicazione di peso
Sopra il limite superiore impostato.
4.2 Tasti metrologici
Si faccia riferimento al punto 2 di Figura 4.1 :
Tasto di azzeramento del peso
La pressione di questo tasto determina l'azzeramento dell'indicazione di peso solo se sono soddisfatte le seguenti condizioni:
 
il valore di peso deve essere all'interno del range -1% ÷ +3% della portata per terminali con obbligo di verifica metrica e ± 50% della portata per terminali diversi;
 
il peso deve essere stabile;
 
non deve essere stata inserita alcuna tara.
Tasto di inserimento e cancellazione tara
La pressione di questo tasto permette di acquisire il peso presente sulla piattaforma di pesatura come valore di tara solo se sono soddisfatte le seguenti condizioni:
 
il peso deve essere stabile;
 
il peso deve avere un valore positivo;
 
il peso non deve essere superiore alla portata massima.
Sul display si accendono le indicazioni e .
Sui terminali MD l'indicazione del peso riprenderà utilizzando la divisione del campo inferiore. Sui terminali ME il peso netto viene visualizzato con la divisione relativa al campo di appartenenza.
Ripremendo la tara viene cancellata e si ritorna in visualizzazione del lordo.
Tasto di inserimento e visualizzazione della tara
Premendo questo tasto è possibile impostare un valore di tara digitandolo da tastiera tramite gli appositi tasti numerici ( par. 4.3 ). Per la modifica di eventuali tare predeterminate vedi par. 5.2.13 .
A completamento dell'operazione verrà visualizzato il netto con tara e si accenderanno le indicazioni e . Il valore della tara impostata verrà automaticamente arrotondato alla divisione di scala della bilancia; per i terminali MD l'indicazione del peso netto utilizzerà la divisione del campo in cui va a collocarsi il valore del peso netto, mentre per i terminali ME la divisione del peso netto sarà quella relativa al campo di appartenenza del peso lordo. Per i terminali MD il valore massimo della tara predeterminata sarà limitato alla portata massima della prima estensione di pesatura (valore indicato sulla targa riportante le caratteristiche metrologiche dello strumento).
Tasto di stampa e/o avvio trasmissione
Permette di richiedere un'operazione di pesatura. Di conseguenza viene indotta una stampa dei dati di pesatura e/o una trasmissione seriale di una stringa di dati sulla porta configurata.
Tasti personalizzabili
La funzione associata a questi tasti viene segnalata sul display.
4.3 Tasti alfanumerici
Si faccia riferimento al punto 3 della Figura 4.1 :
Tasti di introduzione valori numerici e caratteri alfanumerici
Tasto d'impostazione cifre decimali
Utilizzare questo tasto per inserire i valori decimali.
Tasto di "Enter"o di conferma
Premere per confermare l'operazione.
AVVERTENZA
La funzione dei tasti
può cambiare e viene segnalata da apposite indicazioni sul display.
4.4 Accensione e spegnimento del terminale
Legenda
1.
 
Interruttore di ON/OFF
Figura 4.2 - Interruttore di accensione e spegnimento (log0105.jpg)
PERICOLO
Prima di accendere il terminale, verificare la presenza e l'integrità dei carter di protezione.
Nel caso il terminale sia installato a parete su un quadro elettrico deve essere presente un interruttore generale che tolga tensione a tutto il quadro.
Per la sua individuazione rivolgersi al responsabile della manutenzione interna.
Premere l'interruttore posto sul retro (vedi punto 1 Figura 4.2 ) e portarlo in posizione:
I
 
per accendere il terminale;
O
 
per spegnerlo
All'accensione il display mostrerà, oltre al logo del Costruttore, il tipo di funzionamento per il quale é abilitato (vedi par. 5.4 ).
Attendere l'indicazione LOCK (solo per strumenti soggetti a controllo metrologico).
Se a fine operazione sul display é visualizzato un valore diverso da zero, premere per azzerare la lettura.
Se premendo il tasto il valore non si azzera :
 
controllare che la piattaforma sia effettivamente scarica. In caso negativo scaricare la piattaforma, spegnere lo strumento e ripetere le operazioni di accensione;
 
avvertire il Servizio di Assistenza se l'incoveniente persiste.
5. USO DEL TERMINALE
5.1 Generalità
5.1.1 Uso dei tasti per la navigazione nei menù
I tasti numerici descritti al par. 4.3 e i tasti personalizzabili e par. 4.2 permettono la navigazione all'interno dei menù di programmazione.
Dalla condizione di normale visualizzazione è possibile entrare nei menù selezionando con il tasto la voce 2°F. Ora, con gli altri tasti si selezioni la voce successiva interessata. Sulla barra dei tasti rapidi sono disponibili al massimo 6 funzioni. Premendo il tasto corrispondente all'indicazione ALTRI è possibile passare ad altre funzioni gestite dal terminale. Le frecce sui menù ­,¯,®,¬ permettono rispettivamente di andare su, giù, a destra e a sinistra.
Con il tasto SELEZ si può selezionare la voce interessata o entrare in un sottomenù.
I tasti # e \\ permettono di cambiare il modo di visualizzare il percorso nel menù : # percorso per esteso, \\ percorso espresso in numeri.
Selezionando la voce ESCI si ritorna al livello di menù precedente. Premendo ESCI più volte si può quindi risalire il menù fino ad uscirne del tutto e ritornare in modalità di normale visualizzazione del peso. D'ora in avanti nella trattazione delle istruzioni per l'uso verrà segnalato soltanto il percorso da seguire senza fare riferimento ai tasti da premere. Per es. per modificare il contrasto verrà indicato:
2°F>CONTR>+ o ->MEMOR>ESCI
5.1.2 Inserimento di dati numerici (Editor)
E' possibile inserire dei valori numerici mediante la seguente procedura:
 
selezionare la funzione associata al valore che si vuole impostare (tara predeterminata, predisposizioni, range...); sul display viene visualizzata la funzione selezionata con il valore attualmente memorizzato;
 
impostare il dato digitando i tasti numerici ( par. 4.3 )
 
premere il tasto per confermare il dato impostato e per tornare al menù precedente.
5.1.3 Inserimento dati alfanumerici
E' possibile inserire dati alfanumerici nel modo spiegato nel seguito:
 
selezionare una funzione che preveda la possibilità di impostazione alfanumerica (ad esempio il codice generico);
 
premere i tasti corrispondenti alle lettere che si desiderano impostare;
 
premere il tasto per confermare.
Si tenga presente che:
 
pressioni successive sullo stesso tasto provocano la scansione delle lettere, del numero e dei caratteri speciali propri delle varie lingue;
 
per confermare la lettera inserita è sufficiente spostarsi su di un altro tasto alfanumerico;
 
per impostare due lettere presenti sullo stesso tasto attendere un secondo e ripremere il tasto: la posizione corretta viene indicata dal cursore;
 
la pressione prolungata di un tasto permette di visualizzare i caratteri legati a quel tasto. Spostandosi a destra e a sinistra con i tasti ® e ¬ è possibile selezionare il carattere che si vuole impostare. Il carattere selezionato viene evidenziato con la scritta in reverse. Si confermi la scelta effettuata premendo OK. Per passare dalle lettere minuscole alle lettere maiuscole e viceversa si prema il tasto corrispondente all'indicazione MAIUS/MINUS.
Nel seguito è fornito l'elenco dei caratteri associati a ciascun tasto:
Tasti alfanumerici
Caratteri
, - + ; * / = % > <
0 . : ? ! ( )¿ ¡ '
(blank) 1 £ $ @ & ª º
A B C 2 â ä à å Ä Å ç Ç
D E F 3 è ê ë è È æ Æ
G H I 4 ï î ì í
J K L 5
M N O 6 ô ö ò ó Ö ñ Ñ
P Q R S 7 ß
T U V 8 ü û ù ú Ü
W X Y Z 9 ÿ
5.1.4 Tasti rapidi
Durante l'installazione possono essere stati assegnati alle funzioni del Menu Utente i tasti d'accesso rapidi. In questo modo l'utente può raggiungere la funzione desiderata con un numero inferiore di pressioni di tasti. Ad esempio per raggiungere la funzione Codice Merce non sarà necessario premere
...MENU>Gestione Dati>Gestione Codici>Codice Merce
al contrario sarà sufficiente premere CMERC.
In fase d'installazione è possibile personalizzare le abbreviazioni che compaiono sul display. Per questo motivo le abbreviazioni relative ai tasti rapidi che vengono riportate tra parentesi a fianco o sotto i percorsi spiegati nei paragrafi successivi possono essere state modificate dall'installatore. Richiedere a quest'ultimo una tabella di decodifica.
I percorsi possono anch'essi subire delle variazioni a seconda del numero di archivi e relativi tasti rapidi impostati in fase d'installazione. In tal caso il tasto MENU può essere raggiunto premendo i tasti 2ºF e ALTRI.
5.2 Menù utente
5.2.1 Albero Menu utente
Di seguito si riporta l'albero del menu utente sviluppato al 3° livello. Per dettagli si faccia riferimento ai paragrafi successivi (dal 5.2.2 al 5.2.17).
Gestione Dati
Gestione Codici
Codice Generico
Codice Merce
Lista Codici Merce
Range
Range 01
Range 02
Range 11
Range 12
Range 13
Range 14
Range 21
Range 22
Range 23
Range 24
Setpoint
Setpoint 01
Setpoint 02
Setpoint 11
Setpoint 12
Setpoint 13
Setpoint 14
Setpoint 21
Setpoint 22
Setpoint 23
Setpoint 24
Visualizza dato MPP
Tare predeterminate
Inserimento
Lista tare predeterminate
Progressivo
Gestione Coefficiente
Coefficiente
Operazione
Arrotondamento
Gestione totali
Totale Generale
Totale Parziale
Totale Cod. Merce
Totale Cod. Generico
Funzionamento MPP
Disattivato
Con memoria
Con stampante
Visualizzazione
Cifre 15mm
Cifre 30mm
Selezione
Estrazione
Tara a display
Contrasto
Stato memoria
Ristampa
Data Ora
Diagnostica
5.2.2 Regolazione del contrasto
Per migliorare la visualizzazione del contrasto del display seguire il percorso:
...>MENU>Contrasto
(Tasto rapido CONTR).
Con + e - si regola il contrasto. Per memorizzare la regolazione effettuata premere MEMOR.
5.2.3 Modifica data ed ora
Seguire il percorso:
...>MENU>Data Ora
(Tasto rapido DATORA).
Per un rapido cambiamento dell'ora legale usare + o - 1 ora, altrimenti usare la voce CAMBI.
5.2.4 Visualizzazione del peso
Può essere personalizzata in funzione del modo in cui si vuole visualizzare sul display il peso presente sulla bilancia.
Essa dipende dal tipo di funzionamento impostato in fase di installazione (vedi par. 5.4 ).
Per selezionare il tipo di visualizzazione seguire il percorso:
...>MENU>Visualizzazione
(Tasto rapido VISUAL).
I possibili formati di visualizzazione sono:
 
Cifre 15mm
Sul display vengono visualizzati il peso lordo (o netto) e i simboli di pesatura.
 
Cifre 30mm
Vengono visualizzati il peso con caratteri alti 30 mm ed i simboli di pesatura.
 
Selezione
Oltre al peso e agli usuali simboli di pesatura viene visualizzato uno dei simboli (vedi par. 4.1.1 ).
L'intervallo viene impostato premendo DRANGE, selezionando i valori con SELEZ e inserendo i valori numerici mediante gli appositi tasti ( par. 4.3 ).
AVVERTENZA
Il range a display qui descritto è indipendente dal range associato sugli output (vedi par. 5.2.8 e par. 5.2.9 .
 
Tara a display
Oltre agli usuali simboli di pesatura permette di visualizzare contemporaneamente il peso netto e le tare eventualmente inserite.
Verranno visualizzate le seguenti indicazioni:
 
Se la tara è stata inserita premendo il tasto e non sono state impostate le tare multiple in fase d'installazione:
Tara: valore tara + unità di misura
Si accenderanno inoltre le indicazioni e PT.
 
Se la tara è stata acquisita premendo il tasto e non sono state impostate le tare multiple:
Tara: valore tara + unità di misura
Si accenderanno le indicazioni e T.
 
Se la tara è predeterminata ( par. 5.2.13 e non sono state impostate le tare multiple:
Tara C: valore tara predeterminata + unità di misura
Si accenderanno le indicazioni e PT.
NOTA: la dicitura Tara C indica che la tara visualizzata sul display è una tara "codificata" alla quale cioè è stato attribuito un codice numerico ( par. 5.2.12 ).
 
Se in fase d'installazione sono state impostate tare multiple:
Tara T: val. tara acquisita + unità di misura
Tara 1 PT: val. tara predeterminata 1 + unità di misura
Tara 2 PT: val. tara predeterminata 2 + unità di misura
Oppure
Tara C PT: val. tara predeterminata + unità di misura
Tara 1 PT: val. tara predeterminata 1 + unità di misura
Tara 2 PT: val. tara predeterminata 2 + unità di misura
Oppure
Tara PT: val. tara "non codificata" + unità di misura
Tara 1 PT: val. tara predeterminata 1 + unità di misura
Tara 2 PT: val. tara predeterminata 2 + unità di misura
Si accenderanno le indicazioni e PT.
NOTA: anche Tara 1 e Tara 2 sono tare richiamabili mediante un codice numerico ( par. 5.2.13 ).
 
Estrazione
Questo tipo di visualizzazione è possibile se è impostato il tipo di funzionamento a estrazione in carico o quello a estrazione in scarico (vedi par. 5.4.3 e par. 5.4.4 ).
Sul display vengono visualizzati il peso lordo, il peso estratto e i simboli di pesatura.
5.2.5 Stato memoria
Se la percentuale di memoria libera è bassa procedere al recupero della memoria seguendo il percorso:
...>MENU>Stato memoria
ATTENZIONE
L'operazione di recupero della memoria potrebbe impegnare il terminale per qualche minuto. Non spegnere il terminale durante questa operazione per evitare la perdita dei dati memorizzati.
5.2.6 Ristampa
Si veda il par. 5.3.1 .
5.2.7 Diagnostica (solo per bilancia digitale)
Questa voce del menu utente è disponibile solo in presenza di errori relativi alle celle digitali ( par. 8.2 ) e permette di risalire alla causa che ha generato l'errore. Si segua il percorso:
...>MENU>Diagnostica
Solo in caso di strumento non soggetto a verifica metrica la pressione di CONT permette, nonostante l'errore, di visualizzare il peso misurato.
Si tenga presente che questo è possibile solo in caso di errori di matricola o errori dovuti a celle digitali non configurate.
Se la causa dell'errore non viene rimossa il messaggio di errore si ripresenterà alla riaccensione del terminale.
5.2.8 Impostazione output come set-point (se abilitato)
E' possibile utilizzare i due output disponibili in modalità set-point. In questa modalità l'uscita viene attivata quando il peso raggiunge il valore impostato.
...>MENU>Gestione Dati>Set Point
(Tasto rapido SETPNT).
Impostare i valori desiderati come indicato al par. 5.1.2 .
5.2.9 Impostazione output come Range (se abilitato)
E' possibile utilizzare i due output disponibili in modalità Range. L'uscita viene attivata quando il peso é all'interno del range; l'impostazione di tale intervallo viene effettuata seguendo il percorso:
...>MENU>Gestione Dati>Range
(Tasto rapido RANGE).
5.2.10 Codice generico
Si tratta di un codice alfanumerico costituito al massimo da 8 caratteri che può essere stampato e/o trasmesso. Il numero massimo di codici che possono essere impostati è variabile e dipende da quali altri dati si desidera gestire. Per impostare il codice generico seguire il percorso:
...>MENU>Gestione Dati>Gestione Codici>Codice Generico
(Tasto rapido CGEN).
Inserire il codice alfanumerico come spiegato al par. 5.1.3 . Impostando il valore del codice generico = spazio vuoto, questo non viene più riportato nella stampa e non viene più utilizzato per la totalizzazione.
5.2.11 Codice merce
Il terminale prevede la gestione di codici merce a ciascuno dei quali è possibile associare una descrizione alfanumerica che può essere stampata e/o trasmessa insieme al peso. Il codice merce è di tipo numerico e può essere costituito al massimo da 6 cifre, la descrizione alfanumerica al massimo da 20 caratteri. Il numero massimo di codici che possono essere impostati viene definito in fase di installazione. Esso è variabile e dipende da quali altri dati si desidera gestire.
Per impostare il codice merce seguire il percorso:
...>MENU>Gestione Dati>Gestione Codici>Codice Merce
(Tasto rapido CMERC).
Inserire il codice merce e la descrizione alfanumerica associata come spiegato rispettivamente ai par. 5.1.2 e par. 5.1.3 . Impostando il codice merce 0 (zero) durante le operazioni di pesatura, viene esclusa ogni operazione di totalizzazione.
5.2.12 Lista codici merce
Seguendo il percorso:
...>MENU>Gestione Dati>Gestione Codici>Lista Codici Merce
è possibile visualizzare, richiamando il codice merce di interesse, la descrizione relativa al codice stesso. Per richiamare il codice merce si prema il tasto corrispondente all'indicazione CMERC, si digiti il codice numerico e si confermi con il tasto .
Se è collegata una stampante, premendo il tasto corrispondente all'indicazione RIEPIL è possibile stampare i dati relativi al singolo codice merce o avere una stampa riepilogativa dei codici merci compresi in un intervallo prefissato dall'operatore.
5.2.13 Tare predeterminate
Lo strumento gestisce, oltre alla tara acquisita da peso presente sulla piattaforma di pesatura e alla tara inserita da tastiera, un archivio di tare predeterminate contenente un numero di valori che viene definito in fase di installazione. Ciascun valore può essere richiamato attraverso un codice numerico a 4 cifre. Le tare predeterminate, una volta richiamato il relativo codice, vengono automaticamente sottratte al valore di peso presente sulla bilancia. E' possibile inserire il codice tare predeterminate seguendo il percorso:
...>MENU>Gestione Dati>Tare predeterminate> Inserimento
(Tasti rapidi CTARA e CTARn dove n= 1,2 se in fase di installazione sono state impostate le tare multiple)
Scegliere il tipo di tara, digitare il numero del codice tramite gli appositi tasti numerici e confermare con il tasto . Se necessario digitare il valore della tara.
Il valore TARA 2 può essere moltiplicato per un numero, denominato Numero Colli, impostabile da tastiera in modo da avere un valore di tara complessivo (ad esempio la somma delle tare di n contenitori aventi lo stesso peso). E' possibile impostare il Numero Colli direttamente dalla barra dei tasti rapidi premendo il tasto corrispondente all'indicazione NCOLLI. Le funzioni TARA 1 e TARA 2, unitamente al Numero Colli, permettono di eseguire pesate di prodotti dove sono presenti imballi primari (ad esempio pallet) ed imballi secondari (ad esempio cassette).
5.2.14 Lista tare predeterminate
Seguendo il percorso:
...>MENU>Gestione Dati>Tare predeterminate>Lista Tare Predeterminate
è possibile visualizzare, richiamando il codice tara di interesse, il valore di tara corrispondente. Per richiamare il codice tara si prema il tasto corrispondente all'indicazione CTARA, si digiti il codice numerico e si confermi con il tasto .
Se è collegata una stampante, premendo il tasto corrispondente all'indicazione RIEPIL è possibile stampare i dati relativi al singolo codice tara o avere una stampa riepilogativa dei codici tara compresi in un intervallo prefissato dall'operatore.
5.2.15 Numero progressivo
Il terminale gestisce un numero progressivo massimo di 6 cifre che permette di conteggiare le operazioni di pesatura eseguite: questo valore parte da 1 e viene incrementato automaticamente di una unità dopo ogni stampa e/o operazione (indica quindi il valore della stampa o dell'operazione successiva). Per la modifica del numero progressivo seguire il percorso:
...>MENU>Gestione Dati>Progressivo
(Tasto rapido N.PROG)
Impostando il numero progressivo = 0 (zero) questo non viene più incrementato e non viene stampato.
5.2.16 Gestione Coefficiente
Tale funzione può essere utile qualora si desideri effettuare conversioni di unità di misura. Ad esempio, se sono noti il peso specifico e il peso complessivo di un liquido è possibile risalire al numero di litri di cui è costituito il liquido.
Per accedere a questo menu si segua il percorso:
...>MENU>Gestione Dati>Gestione Coefficiente
(Tasto rapido COEF)
Si proceda impostando il coefficiente desiderato, quindi si scelgano il tipo di operazione da eseguire (moltiplicazione o divisione) e l'arrotondamento del risultato. Quest'ultimo viene proposto solo come valore numerico senza l'eventuale unità di misura.
5.2.17 Gestione Totali
Il terminale permette la totalizzazione dei dati di pesatura associati ai diversi codici gestiti. L'operazione di totalizzazione consiste nel sommare il valore di peso ai valori di peso precedentemente accumulati, incrementando di uno il numero di pesate. All'elenco dei Totali disponibili si giunge seguendo il percorso:
...>MENU>Gestione Totali
(Tasto rapido TOTALI)
 
Totali generici
Queste totalizzazioni hanno carattere generico e realizzano la totalizzazione dei valori di peso lordo (se abilitato in fase di installazione), netto, tara e numero pesate indipendentemente da eventuali codici associati. I dati sono disponibili richiamando le seguenti funzioni:
...>MENU>Gestione Totali>Totale Generale
(Tasto rapido TOTGEN)
...>MENU>Gestione Totali>Totale Parziale
(Tasto rapido TOTPAR)
 
STAMPA produce la stampa del valore selezionato
 
AZZERA azzera il totale
 
Totali per codice
Vengono memorizzati i valori di peso netto e numero pesate associati al codice merce e codice generico. I dati sono disponibili richiamando le seguenti funzioni:
...>MENU>Gestione Totali>Totale Cod.Merce
(Tasto rapido TOTMER)
...>MENU>Gestione Totali>Totale Cod.Generico
(Tasto rapido TOTCG)
 
STAMPA produce la stampa del totale selezionato
 
RIEPIL produce la stampa di tutti i codici
 
AZZERA azzera il totale
 
CMERC permette di spostarsi su di un altro codice merce
 
CGEN permette di spostarsi su di un altro codice generico
5.3 Stampa dei dati di pesatura
Il collegamento tra stampante e terminale avviene normalmente attraverso la porta seriale COM1 ( par. 6.8 ).
La stampa si ottiene premendo il tasto e viene eseguita se:
 
il peso è valido, cioè non inferiore a zero e non superiore alla portata massima della bilancia;
 
il peso è stabile;
 
la stampante collegata, accesa, libera da operazioni di stampa e con carta inserita.
I dati che vengono stampati sono i seguenti:
 
Data e ora (se abilitate)
 
Numero progressivo
 
Codice merce (se selezionato) con relativa descrizione alfanumerica
 
Codice generico (se selezionato)
 
Lordo (se abilitato)
 
Tara/e (se presenti)
 
Netto
 
Coefficiente e risultato (se abilitati)
Se abilitata è possibile ottenere la stampa sotto forma di codice a barre del codice merce e del peso netto.
E' possibile personalizzare la stampa utilizzando un PC ed un apposito programma di composizione: per ulteriori informazioni contattare il fornitore.
Per le caratteristiche di stampa, manutenzione e formati della carta ecc. riferirsi ai manuali istruzione allegati alle varie stampanti.
5.3.1 Ristampa dei dati di pesatura
Accedendo alla voce Ristampa del menu utente è possibile rieseguire l'ultima stampa effettuata senza modificare il numero progressivo e i totali eventualmente calcolati.
Per distinguere l'originale dalla ristampa su quest'ultima comparirà la voce Copia.
5.4 Funzionamenti
Il tipo di funzionamento del terminale viene impostato in fase di installazione.
All'accensione del terminale un' indicazione sul display segnala il tipo di funzionamento impostato.
5.4.1 Funzionamento standard
Il funzionamento standard permette di acquisire il peso lordo (o netto) presente sulla bilancia e di visualizzarlo sul display insieme ai simboli di pesatura. In questo caso i possibili formati di visualizzazione sono Cifre 15mm, Cifre 30mm e Selezione (vedi par. 5.2.4 ).
5.4.2 Funzionamento Pesatura in somma
La funzione pesatura in somma consente di eseguire più pesate in sequenza senza scaricare la bilancia, azzerando il peso netto dopo ogni operazione. Il passaggio da una pesata all'altra avviene premendo il tasto a peso stabile.
Al termine di questa operazione:
 
si azzera il peso netto trasferendo in tara il peso attualmente sulla bilancia;
 
si invia una stringa sull'uscita seriale o si stampa (se presente la stampante).
I formati di visualizzazione possibili in questo tipo di funzionamento sono Cifre 15mm, Cifre 30mm e Selezione (vedi par. 5.2.4 ).
5.4.3 Funzionamento ad estrazione in carico
Questo funzionamento permette, una volta selezionato ed associato ai dispositivi di I/O, di eseguire dei semplici dosaggi a più componenti.
In fase di installazione vengono opportunamente selezionati gli I/O.
Seguendo le indicazioni del par. 5.2.8 si impostino i valori di Set Point 01 e Set Point 02. Il Set Point 01 definisce la quantità di peso finale da estrarre, il Set Point 02 la quantità di peso che, sottratta al valore di Set Point 01, segna il passaggio dalla modalità di estrazione veloce alla modalità di estrazione lenta.
Premendo il pulsante corrispondente alla indicazione START si azzera il valore del peso estratto e si abilita il carico della bilancia. Sul display vengono visualizzati il peso lordo (ovvero il peso presente sulla bilancia) e il peso estratto (ovvero il peso via via caricato sulla bilancia).
Il formato di visualizzazione utilizzato è il tipo Estrazione (vedi par. 5.2.4 ).
E' possibile concludere l'operazione di estrazione premendo STOP.
5.4.4 Funzionamento ad estrazione in scarico
Questo modo d'uso è identico al precedente con la differenza che presuppone di partire dalla bilancia già carica e di estrarre materiale.
Si impostino i valori di Set Point 01 e Set Point 02 ( par. 5.2.8 ).
Premendo il pulsante corrispondente all'indicazione START si azzera il valore del peso estratto e si abilita lo scarico della bilancia. Sul display vengono visualizzati il peso lordo (ovvero il peso presente sulla bilancia) e il peso estratto (ovvero il peso scaricato dalla bilancia).
Il formato di visualizzazione utilizzato è il tipo Estrazione (vedi par. 5.2.4 ).
E' possibile concludere l'operazione di estrazione premendo STOP.
5.5 Funzionamento accessorio MPP
Ai 4 funzionamenti precedenti è possibile associare anche il funzionamento accessorio MPP descritto in dettaglio al par. 6.6 .
6. OPZIONI
Le schede opzionali di espansione (eccetto la scheda di espansione memoria MPP) vengono montate negli slot sul retro del terminale (vedi punti 11,12 Figura 3.1 ).
Per la posizione e la numerazione delle uscite (I/O, COM, BCD) fare riferimento all'etichetta presente sul fondo del terminale.
Figura 6.1 - Etichetta delle uscite sul fondo dello strumento (log0125.jpg)
La numerazione dei punti di I/O, dei canali seriali e delle porte BCD va considerata insieme alla posizione delle schede negli slot (vedi Figura 3.1 ).
Input
Slot
N°input
denominazione
Scheda CPU (slot0)
IN 1
INPUT 01
IN 2
INPUT 02
Slot1
IN 1
INPUT 11
IN 2
INPUT 12
IN 3
INPUT 13
IN 4
INPUT 14
Slot2
IN 1
INPUT 21
IN 2
INPUT 22
IN 3
INPUT 23
IN 4
INPUT 24
Output
Slot
N°output
denominazione
Scheda CPU (slot0)
OUT 1
OUTPUT 01
OUT 2
OUTPUT 02
Slot1
OUT 1
OUTPUT 11
OUT 2
OUTPUT 12
OUT 3
OUTPUT 13
OUT 4
OUTPUT 14
Slot2
OUT 1
OUTPUT 21
OUT 2
OUTPUT 22
OUT 3
OUTPUT 23
OUT 4
OUTPUT 24
Seriali
Slot
N°com
denominazione
Scheda CPU (slot0)
COM 1
COM 01
COM 2
COM 02
Slot1
COM 1
COM 11
COM 2
COM 12
Slot2
COM 1
COM 21
COM 2
COM 22
BCD
Slot
denominazione
Slot1
BCD 1
Slot2
BCD 2
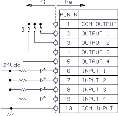
6.1 Scheda 4I/O
Legenda
Pi = Parte interna al terminale
Pe = Parte esterna al terminale
Figura 6.2 - Schema di connessione scheda opzionale 4 INPUT - 4 OUTPUT (log0009.gif)
In figura sono riportati i morsetti di collegamento della scheda 4 I/O.
Per le specifiche tecniche di collegamento riferirsi al par. 3.6 .
6.2 BCD parallela 5V
Un' etichetta nei pressi del connettore a vaschetta identifica il tipo di scheda.
Sul connettore a vaschetta da 25 poli femmina possiamo prelevare i segnali BCD del peso così come si presenta sul display dello strumento, ossia numero di divisioni per il valore della divisione.
ATTENZIONE
Condizioni di massimo utilizzo
V out Max = +5V
I out Max = +/- 10 mA
Legenda
U1,U2,U4,U8 = Unità BCD (binar code decimal)
DE1,DE2,DE4,DE8 = Decine BCD
C1,C2,C4,C8 = Centinaia BCD
M1,M2,M4,M8 = Migliaia BCD
DM1,DM2,DM4,DM8 = Decine di migliaia BCD
CM1 = Centinaia di migliaia
DVALID = (OUTPUT) può avere il seguente significato:
0: I dati saranno validi dopo 10 ms
1: I dati resteranno validi per almeno altri 5 ms
NEG = (OUTPUT). Assume il valore "0" (zero) quando il peso diventa negativo
NC = Riservato da non collegare
DGND = Comune di riferimento dei segnali
Figura 6.3 - Connettore uscita peso BCD parallela 5V TTL (log0060.gif)
6.3 BCD a calcolatore
Un' etichetta nei pressi del connettore a vaschetta identifica il tipo di scheda.
Sul connettore a vaschetta da 25 poli femmina si possono prelevare i seguenti segnali BCD di rappresentazione del peso in divisioni senza tenere conto del valore della divisione.
ATTENZIONE
Le condizioni di massimo utilizzo per questo tipo di uscita sono:
V out Max = +5V
I out Max = +/- 10 mA
Legenda
CU1,2,4,8 = Unità BCD (binar code decimal)
CDEC1,2,4,8 = Decine BCD
CC1,2,4,8 = Centinaia BCD
CAM1,2,4 = Migliaia BCD
NEG = (OUTPUT) negativo che assume il valore "0" (zero) se il peso assume valore negativo
CALC0,1,2,3,4,5 = PIN di indirizzamento numero bilancie da 1 a 64
CDVALID = (OUTPUT) che può assumere i seguenti valori:
0: I dati saranno validi dopo 10 ms
1: I dati rimarranno validi per almeno 10 ms
NC = Riservato da non collegare
DGND = Comune di riferimento dei segnali
Figura 6.4 - Connettore uscita peso BCD a calcolatore (log0061.gif)
6.4 BCD parallela 24V source current (comune positivo)
Un' etichetta nei pressi del connettore a vaschetta identifica il tipo di scheda.
Sul connettore a vaschetta da 25 poli femmina possiamo prelevare i seguenti segnali BCD del peso così come si presenta sul display dello strumento, ossia numero di divisioni per il valore della divisione.
ATTENZIONE
Le condizioni di massimo utilizzo per questa uscita sono le seguenti:
V out Max = +24V
I out Max = + 10 mA
Legenda
U1,U2,U4,U8 = Unità BCD (binar code decimal)
DE1,DE2,DE4,DE8 = Decine BCD
C1,C2,C4,C8 = Centinaia BCD
M1,M2,M4,M8 = Migliaia BCD
DM1,DM2,DM4,DM8 = Decine di migliaia BCD
CM1 = Centinaia di migliaia
DVALID = (OUTPUT) può avere il seguente significato:
0: I dati saranno validi dopo 10 ms
1: I dati resteranno validi per almeno altri 5 ms
NEG = (OUTPUT). Assume il valore "0" (zero) quando il peso diventa negativo
+24V = Tensione esterna
DGND = Comune di riferimento dei segnali
Figura 6.5 - Connettore uscita peso BCD parallela 24V source current (log0062.gif)
Di seguito si riporta l'esempio di un collegamento tra il terminale ed un dispositivo esterno in "BCD" a 24V "source current".
Legenda
L = Carico generico esterno
T = Transistor d'uscita interno al terminale
+24V = Tensione esterna
Figura 6.6 - Esempio di collegamento 24V source current (log0063.gif)
6.5 Espansioni seriali
La scheda prevede 2 connettori :
 
9 Poli vaschetta femmina (una uscita RS232/422/485)(comx1);
 
8 Poli RJ45 (una uscita RS232/422/485)(comx2).
Le condizioni di massimo utilizzo previste dagli standard RS232/422/485 sono già state specificate al par. 3.3 e al par. 3.4
Legenda
RX422 +/- = Ricezione dati
RX232 = Ricezione dati
TX422 +/- = Trasmissione dati
TX232 = Trasmissione dati
TERMIN = Resistenza di terminazione da collegare al pin 6
NC = Riservato da non collegare
GND = Massa dei segnali
Ri = Resistenza di terminazione interna al terminale
Figura 6.7 - Connettore di collegamento uscita seriale supplementare (9 poli a vaschetta femmina) (log0064.gif)
Legenda
1.
 
Comx1
2.
 
Comx2
Figura 6.8 - Denominazione delle uscite seriali(log0129.jpg)
Legenda
GND = Massa dei segnali
RX232 = Ricezione dati
TX232 = Trasmissione dati
TERMIN = Resistenza di terminazione da collegare al pin 8
TX422 +/- = Trasmissione dati
RX422 +/- = Ricezione dati
Ri = Resistenza di terminazione interna al terminale
Figura 6.9 - Connettore di collegamento uscita seriale supplementare (RJ45 ad 8 poli)(comx2) (log0065.gif)
Figura 6.10 - Numerazione dei pin per il connettore RJ-45 ad 8 poli (log0066.gif)
6.6 Espansioni di memoria MPP
I terminali dotati dell'opzione MPP (memoria peso permanente) sono caratterizzati dalla possibilità di memorizzare i dati di peso di ogni singola operazione di pesatura in una memoria permanente o su carta (stampante omologata) e di trasmetterne il valore ad una periferica esterna assieme ad un codice identificativo che viene attribuito in modo autonomo dal terminale stesso.
Nel caso di memorizzazione su carta (stampante omologata) non è necessario montare la schedina opzionale interna. Impostando il codice identificativo sul terminale di pesatura o consultando le registrazioni su carta è possibile verificare la correttezza del dato. Il numero identificativo è composto di 7 cifre, quindi lo stesso numero potrà ripresentarsi dopo 10.000.000 di pesate.
6.6.1 Capacità di memoria
La capacità della memoria presente nella scheda di espansione di memoria MPP permette la memorizzazione di circa 130.000 pesate (le pesate si intendono peso + tara), corrispondenti a circa 8 mesi di utilizzo continuo del terminale eseguendo 500 operazioni di pesatura al giorno.
In caso di uso meno frequente i valori di tempo sopra citati aumentano.
ATTENZIONE
Quando viene raggiunta la capacità massima della memoria i dati più vecchi vengono cancellati e sostituiti da quelli più recenti.
6.6.2 Funzionamento
La modalità di funzionamento della memorizzazione delle pesate (più semplicemente il modo di funzionamento MPP) viene definito in fase di installazione.
I modi operativi si suddividono in due gruppi (per maggiori dettagli si consulti il manuale utente avanzato) :
 
nel primo l'utente agisce sul terminale e precisamente sul tasto per memorizzare e trasferire la pesata;
 
nel secondo l'utente agisce sulla tastiera del PC nelle modalità dettate dal software specifico.
In ambedue i modi operativi, al termine dell'operazione di memorizzazione è possibile visualizzare sul display il numero progressivo associato alla pesata (vedi par. 6.6.4 ).
Solo nel caso in cui l'operazione di memorizzazione è richiesta da tasto viene visualizzato sul display anche il codice identificativo MPP.
Sia il terminale di pesatura che il PC possono segnalare malfunzionamenti dovuti all'impossibilità di trasferire o memorizzare correttamente il dato. Seguire in tal caso le istruzioni presentate.
6.6.3 Disattivazione MPP
Durante l'uso del sistema di pesatura può rendersi necessario non trasferire nè memorizzare nella memoria MPP il dato di pesatura.
In tal caso per disattivare digitare:
...>MENU>Funzionamento MPP>Disattivato
Per riabilitare successivamente:
...>MENU>Funzionamento MPP>Con memoria
AVVERTENZA
La disattivazione può compromettere il funzionamento delle apparecchiature collegate al sistema di pesatura perché vengono inibiti i trasferimenti di dati verso esse.
Si può accedere al Menu Funzionamento MPP anche premendo il tasto rapido MPP.
6.6.4 Verifica dei dati di peso memorizzati
Per la verifica dei dati di peso memorizzati premere il tasto rapido COD MPP.
Il terminale presenta il peso netto e la tara associati al codice MPP identificativo dell'ultima pesata effettuata.
Con il tasto IMPCOD si possono richiamare le pesate precedenti impostandone il numero (vedi par. 5.1.2 ).
Se il terminale è dotato di una stampante premendo il tasto è possibile ottenere la stampa del dato di peso visualizzato e del relativo codice identificativo.
Nell'intestazione della stampa possono essere presenti anche il numero di matricola o il numero terminale mpp a seconda del tipo di risposta selezionato in fase di installazione.
6.7 Alimentatore ingresso 12-24Vac-dc
Il terminale può essere alimentato a bassissima tensione di sicurezza.
E' necessario richiedere l'installazione del cassetto alimentatore con ingresso 12-24Vac-dc.
Per il collegamento alla fonte di alimentazione servirsi del connettore a 2 poli in dotazione.
Usare un cavo a 2 conduttori da 1-2mm² di sezione.
Legenda
1.
 
Interruttore di ON/OFF
2.
 
Fusibili T4A250V
3.
 
Connettore di ingresso sul pannello
Figura 6.11 Connessione alla fonte di alimentazione a bassissima tensione di sicurezza (citi0201.jpg)
ATTENZIONE
Condizioni di massimo utilizzo:
DC (corrente continua): Vmin=11Vdc Vmax=28Vdc
AC (corrente alternata): Vmin=12Vac Vmax=24ac
Potenza massima assorbita=50W
Cavo di alimentazione (non fornito): a 2 conduttori con sezione 1-2mm²
6.8 Stampanti
Il collegamento tra stampante e terminale elettronico avviene normalmente attraverso la porta seriale COM1 ( Figura 6.12 ) o in casi eccezionali sulla COM2.
Per effettuare collegamenti particolari, riferirsi alla documentazione di commessa.
Per le caratteristiche di stampa, sostituzione carta, nastro inchiostrato, manutenzione, sostituzione fusibili ecc. riferirsi ai manuali istruzioni allegati alle varie stampanti.
Legenda
1.
 
Connettore per il collegamento alla stampante
2.
 
Connettore per il collegamento alla porta seriale COM 1 del terminale
3.
 
Cavo di collegamento terminale-stampante
Figura 6.12 Esempio di collegamento di una stampante a COM1. (log0128.jpg)
7. MANUTENZIONE
7.1 Batteria
All'accensione dello strumento viene eseguito un controllo sull'efficienza della batteria al litio interna. In caso di batteria scarica il terminale segnala il messaggio CAMBIARE LA BATTERIA. Per la sostituzione rivolgersi al Servizio Assistenza.
7.2 Sostituzione fusibili
Legenda
1.
 
Portafusibile
2.
 
Levetta di estrazione
3.
 
Interruttore di ON/OFF
Figura 7.1 - Parte fusibile (log0126.jpg)
PERICOLO
Scollegare i cavi INPUT/OUTPUT ed il cavo di rete.
 
Fare riferimento alla Figura 7.1
 
Portare l'interruttore di alimentazione su O.
 
Estrarre il portafusibili premendo la levetta.
 
Sostituire i fusibili con altri di medesimo valore (T630mA250V ritardati).
 
Se alla riaccensione dello strumento i fusibili bruciano di nuovo non insistere con la sostituzione, ma richiedere l'intervento del Servizio Assistenza.
8. RICERCA GUASTI
Se il rimedio suggerito nel seguito non ha effetto positivo contattare il Servizio Assistenza.
8.1 Malfunzionamenti
Inconveniente
Causa
Rimedio
Il terminale non si accende
Manca alimentazione
Verificare la presenza di tensione nella presa di rete.
Verificare il corretto inserimento del cavo di alimentazione.
Verificare che l'interruttore di accensione sia in posizione I.
Verificare l'integrità dei fusibili.
Si accende la retroilluminazione, ma non si vede alcun dato
Contrasto da regolare (è memorizzato al valore minimo)
Accendere il terminale tenendo premuto il tasto all'accensione.
Dopo alcuni secondi il display visualizza il logo "CB" con il contrasto al massimo, poi lentamente varia di intensità.
Rilasciare il tasto e ripremerlo per bloccare il contrasto al livello desiderato.
- -
Fuori campo di azzeramento all'accensione
Spegnere il terminale, scaricare la bilancia e riaccendere il terminale.
8.2 Messaggi di errore
Inconveniente
Causa
Rimedio
9999999 lampeggiante
La bilancia è in sovraccarico.
Ridurre il peso ad un valore inferiore della portata massima così da ricondurlo nella zona di pesatura.
-01-
Convertitore in avaria.
Contattare il Servizio Assistenza.
Connettore bilancia scollegato o interrotto.
Spegnere il terminale e verificare il corretto collegamento del connettore.
Eventualmente scollegarlo e ricollegarlo.
Riaccendere il terminale.
Celle digitali non rispondono
Spegnere e riaccendere lo strumento.
-02-
Errore in EEPROM
Spegnere e riaccendere lo strumento.
-04-
Errore checksum RAM
Spegnere e riaccendere lo strumento.
-05-
Errore checksum PROGRAMMA
Spegnere e riaccendere lo strumento.
-06-
Errore matricola su cella digitale
Spegnere e riaccendere lo strumento.
-07-
Errore di matricola cella digitale su impianto a più celle di carico
Spegnere e riaccendere lo strumento.
-08-
Errore matricola celle digitali
Spegnere e riaccendere lo strumento.
-09-
Errore configurazione e numero matricola celle digitali
Spegnere e riaccendere lo strumento.
-10-
Almeno una cella non configurata
Spegnere e riaccendere lo strumento.
-11-
Errore alimentazione celle digitali
Spegnere e riaccendere lo strumento.
-12-
Errore alimentazione su una cella digitale
Spegnere e riaccendere lo strumento.
-13-
Cella con temperatura interna fuori dall'intervallo (-40 - 100) °C
Spegnere e riaccendere lo strumento.
Cambiare la batteria
Batteria al litio interna scarica
Rivolgersi al Servizio Assistenza.
Peso non valido
La bilancia è in negativo o in sovraccarico e la stampante non stampa
Vedere le condizioni per una stampa corretta al par. 5.3 .
Stampante in avaria
La stampante è spenta o scollegata
Verificare il collegamento e la posizione dell'interruttore della stampante.
Il terminale può mostrare sull'ultima riga in basso del display un messaggio di errore avente formato:
excep n.nn in task xx.x
dove n.nn e xx.x sono numeri o lettere che codificano il tipo di errore.
Dipende da n.nn e xx.x
Spegnere e riaccendere lo strumento.
Se si ripete l'errore contattare il Servizio Assistenza comunicando esattamente il messaggio così come appare sul display.
Nel caso di errori relativi alle celle digitali, la voce Diagnostica del menu utente permette di stabilire la causa dell'errore. A questo proposito si veda il par. 5.2.7 .
 
SOCIETÀ COOPERATIVA
BILANCIAI
SOC. COOP. BILANCIAI CAMPOGALLIANO A.R.L.
41011 Campogalliano (MO) Via Ferrari, 16
tel. +39 (0)59 893 611 - fax +39 (0)59 527 079
servizio post-vendita
after sales service
service apres-vente
Kundendienstservice
servicio post-venta
serviço pós-venda
tel. +39 (0)59 893 612 - fax +39 (0)59 527 294